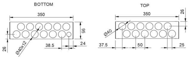
LK fördelarskåp Uni 350X350
Art. nr: 1882340
LK Kopplingsskåp är ett kompakt kopplingsskåp med plats för fem anslutningar utan gruppavstängning och fyra med. Skåpet kan även användas till att koppla en vattenutkastare VUK med kall- och varmvatten. Vattenutkastarens rör dras genom skåpets rygg där knock-out hål förses med bipackade gummigenomföringar.
Skåpet är tillverkat av pulverlackerad stålplåt, vit kulör RAL9016. Skåpet har vattentät botten med 50 mm hög framkant.
LK Dränageböj V2 komplett är bipackad för läckagindikeringen ur vägg. Skyddspåse att trä över skåpet under byggtiden ingår.
Skåpet kompletteras med erforderligt antal rörgenomföringar, separat artikel:
• Rör 12-16-20 använd LK Rörgenomföring 12-20 LP
• Rör 20-25 använd LK Rörgenomföring 20-25 LP
• Rör och tomrör 25 använd LK Rörgenomföring 25 LP
• Rör och tomrör 32-34 använd LK Rörgenomföring 32-34 LP
• Tomrör 44 mm använd LK Rörgenomföring 32 RiR LP
För anpassade luckor, se produktsortimentet.
Senast visade produkter:
- Artnr/RSK
- 1882340
- Varugrupp
- 7600
- Enhet
- ST
- Antal/förpackning
- 1
- GTIN
- 7331590049081
- GTIN FP Bas
- 7331590049081
- Produkt
- Fördelarskåp
- Varumärke
- LK
- Benämning Svensk
- Kopplingsskåp UNI 350x350
- Tullstat. Nr.
- 7216911000
- Färg
- vit RAL9016
- Funktion
- för LK Uni fördelarrör
- Storlek
- 350x350x95mm (BxHxD)
- Material
- stålplåt
- Utförande
- med vattentät botten
- Antal i FP Bas
- 1
- Djup (mm)
- 360
- Bredd (mm)
- 400
- Höjd (mm)
- 100
- Vikt (kg)
- 3,9
| Namn | Nedladdningar | File type |
|---|---|---|
| Miljövarudeklaration ISO14025/EN15804 (EPD) | ||
| InstallationsBVD | ||
| Monteringsanvisning | ||
| Miljövarudeklaration ISO14025/EN15804 (EPD) | ||
| Miljövarudeklaration ISO14025/EN15804 (EPD) | ||
| Produktblad |
Trio montagefixtur 60-40 c/c
Bahco stegborr metall 5-35 mm, längd 83
CTC EcoZenith i255L II inomhus
Grohe WC-fixtur Rapid SL
Trio väggfäste 15, med lekande mutter utv.g.
6606550
Purmo bättringsfärg 10 ml RAL 9016
4805217
Roth IS vinkelkoppling 22xR20 muff x inv.g.
Trio anslutningskoppling M26X1,5XR15, för vägg
Esbe avtappningsventil R15
VA kopplingsbricka V6 16 Enkel 16X2,0 -2,25 PEX
VA V6 täckbricka 10-22, enkel
2510199
Beulco vattenmätarkonsol fast 190 R20
Tryckmätare IPX 0-3bar röd1,5
Jafo WC-anslutning 40, vit
Danfoss RA skyddshuv 10
ETC hörselpropp Flexy
7166017
LK PressPex ventilfäste AX16 X R15
Arrow 29610 Vaska duschset, förkromad
7132760
1882344
Wafix PP grenrör, svängt 110X88,5°, 2 muffar
8309121